一般而言,測量氣流的特性十分困難,但仍有兩種方法用來測量靜壓與風量,一為風洞測試,另一種為雙箱方式。
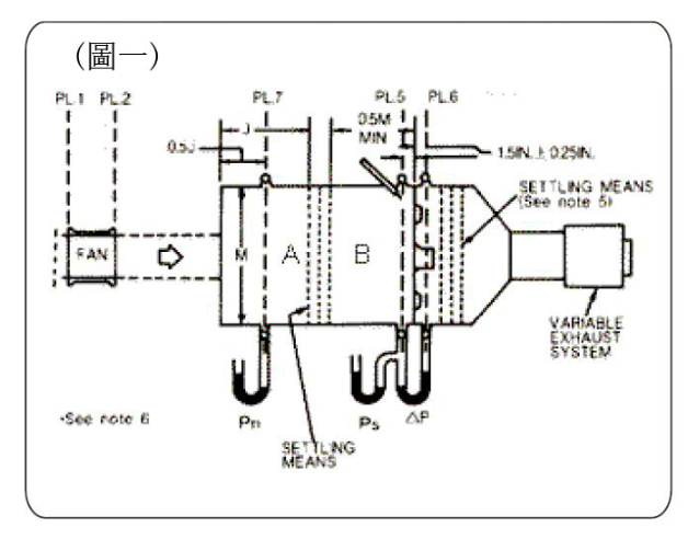
以下所顯示的風量和靜壓特性規格是採用雙箱方式來測量,在此我們將解釋何謂雙箱方式(圖一)。可變排氣系統(variable exhaust system)由出空氣來調整空氣密度,瞬間打開噴嘴將造成靜壓與風量的瞬間變化,然後讀取每個靜壓計上的壓力讀數。
最大風量的測量是調整可變排氣系統使B箱的靜壓為零的條件下所測得的風量。此時,A、B箱之間的靜壓差是在風扇運轉中而噴觜打開時所測出。最大靜壓的測量是A箱口的風扇處於運轉中而噴嘴關閉時所測到的。此情形即造成閉箱,故其靜壓可達到最大值。A箱之靜壓值即其最大靜壓與大氣壓之差壓。當風扇在額定電壓運轉穩定時,其實際測量值即可記錄下來。


